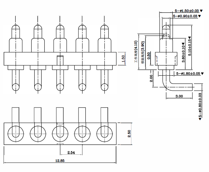
Right Angel 5PIN мъжки и женски конектор Pogo Pin
Пружинният пръстен е сонда от пружинен тип, образувана от трите основни части на иглата, тръбата на иглата и пружината, след като са занитени от прецизен инструмент. Нарича се още pogo pin, pogopin пружинна електродна колона, Spring Loaded или pogopin. Дъното на иглата на пружинния напръстник обикновено е скосена структура.

Функцията на скосената структура е да гарантира, че погопинът поддържа ръката в контакт с вътрешната стена на тръбата на иглата, когато работи, така че токът да преминава главно през позлатената игла и тръбата на иглата, за да се осигури стабилност и ниска импеданс на погопина.

Пружинните гилзи обикновено се използват за прецизни връзки в електронни продукти като мобилни телефони, комуникации, автомобили, медицина, аерокосмически и др.; тъй като пружинният пръстен е отлична сонда, обемът може да бъде направен много малък, така че може да намали разходите за свързване, когато се използва в прецизни конектори. Намалете теглото на устройството, спестете място и разкрасете външния вид на продукта (като ултратънки мобилни телефони, смарт часовници, електронни цигари и др.).

Шест често срещани стила и характеристики на pogopin:
Игла с плоско дъно: добра стабилност, дъното на тръбата на иглата е с плоско дъно, лесно за запояване с печатната платка
Plug-in pogopin: Има позициониращ щифт в края на тръбата на иглата и когато е запоен към печатната платка, няма да има отклонение и ефектът на позициониране е добър;
Огъващ се щифт: опашката е огъната, предоставяйки на дизайнерите повече възможности за избор при използване на пространството;
Двуглав щифт: Дизайнът с двойна глава и двойно действие позволява на инженерите да имат по-голяма гъвкавост на пространството в двупосочната връзка от дъска до платка
Иглица за запояване на тел: подходяща за края на кабела, лесна за запояване с тел
Резбована шпилка: продукти със специални спецификации могат да отговорят на различни нужди на клиентите.

